Slide 1
Download our App
Slide 1
EKO ARTIC
Frostsicherer Kugelauslaufhahn (-20 °C)
Aus Messing CW617N vernickelt, mit Alu-Hebelgriff grün.
Weiter >
Slide 2
KUGELHÄHNE FÜR HEIZWASSER
mit Tauchfühleranschluss nach EN 1434-2,
mit Überwurfmutter für Wärmemengenzähler,
mit Hochtemperaturdichtungen für Solar geeignet
Weiter >
Slide 3
SWIFT-O-MATIC QM
Motorkugelhahn mit vollem Durchgang
Messing CW617 vernickelt, Anschlüsse IG oder Verschraubungen, komplett mit elektrischem IP54 Schwenkantrieb mit Steckverbindung "Quick Mounting"
Weiter >

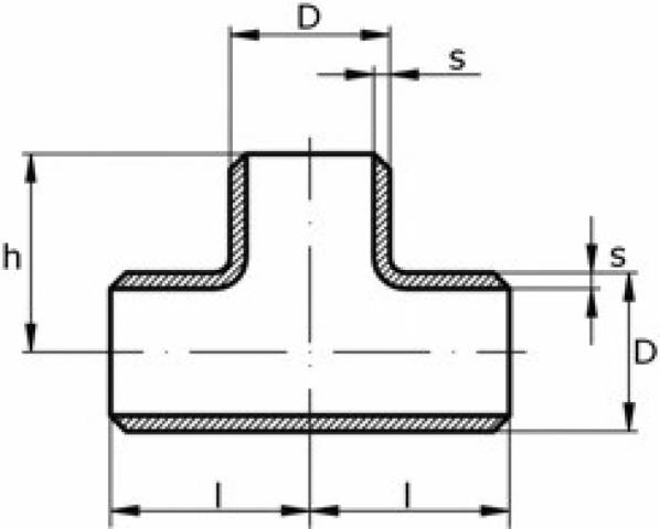
FLANSCHE - T-STÜCK geschweisst

T-Stück, geschweißt, DIN 2615, gleicher Abzweig
Werkstoff: 1.4541, 1.4571


Angegeben sind gängige Werkstoffe, Druckstufen, Wandstärken und Rohrdurchmesser. Andere Ausführungen auf Anfrage.
D s L l h kg
13.5 1.6 36 18 18 0.024
17.2 1.6 40 20 20 0.049
20.0 2.0 40 20 20 0.058
21.3 2.0 50 25 25 0.080
25.0 2.0 48 24 24 0.090
26.9 2.0 58 29 29 0.124
26.9 2.6 58 29 29 0.151
28.0 1.5 64 32 38 0.100
30.0 2.0 60 30 30 0.139
33.7 2.0 76 38 38 0.260
35.0 2.0 80 48 40 0.199
38.0 2.0 96 48 48 0.240
42.4 2.0 96 48 48 0.320
42.4 2.6 96 48 48 0.360
44.5 2.0 80 40 40 0.248
48.3 2.0 114 57 57 0.540
54.0 2.0 100 50 50 0.376
60.3 2.0 128 64 64 0.690
60.3 2.9 128 64 64 0.760
69.0 2.0 152 76 76 0.780
70.0 2.0 140 70 70 0.680
76.1 2.0 152 76 76 0.940
76.1 2.9 152 76 76 1.190
88.9 2.0 172 86 86 1.300
88.9 2.6 172 86 86 1.370
104.0 2.0 200 100 100 1.360
108.0 3.0 200 100 100 2.420
114.3 2.0 210 105 105 2.080
129.0 2.0 230 115 115 2.290
139.7 2.0 248 124 124 2.831
139.7 3.0 248 124 124 4.380
156.0 3.0 270 135 135 4.863
168.3 3.0 286 143 143 5.900
206.0 3.0 340 178 178 6.539
219.1 4.0 356 178 178 9.196
STICHWORTE