Slide 1
Download our App
Slide 1
EKO ARTIC
Frostsicherer Kugelauslaufhahn (-20 °C)
Aus Messing CW617N vernickelt, mit Alu-Hebelgriff grün.
Weiter >
Slide 2
KUGELHÄHNE FÜR HEIZWASSER
mit Tauchfühleranschluss nach EN 1434-2,
mit Überwurfmutter für Wärmemengenzähler,
mit Hochtemperaturdichtungen für Solar geeignet
Weiter >
Slide 3
SWIFT-O-MATIC QM
Motorkugelhahn mit vollem Durchgang
Messing CW617 vernickelt, Anschlüsse IG oder Verschraubungen, komplett mit elektrischem IP54 Schwenkantrieb mit Steckverbindung "Quick Mounting"
Weiter >

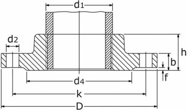
FLANSCHE - GEWINDEFLANSCH

Druckstufe: PN6, PN10, PN16, PN25, PN40
Werkstoff: 1.4307, 1.4571,
Nennweite: DN10-DN200



Angegeben sind gängige Werkstoffe, Druckstufen, Wandstärken und Rohrdurchmesser. Andere Ausführungen auf Anfrage.
Werstoff: 1.4541 Druckstufe: PN16
DN 8 10 15 20 25 32 40 50 65 65 80 100 125 150
d1 13.5 17.2 21.3 26.9 33.7 42.4 48.3 60.3 76.1 76.1 88.9 114.3 139.7 168.3
Rp 1/4" 3/8" 1/2" 3/4" 1" 1 1/4" 1 1/2" 2" 2 1/2" 2 1/2" 3" 4" 5" 6"
Typ DIN 2566 DIN 2566 DIN 2566 DIN 2566 DIN 2566 DIN 2566 DIN 2566 DIN/ EN DIN 2566 EN 1092- DIN/ EN DIN/ EN EN 1092- EN 1092-
D 80 90 95 105 115 140 150 165 185 185 200 220 250 285
b 12 14 14 16 16 16 16 18 18 18 20 20 22 22
k 55 60 65 75 85 100 110 125 145 145 160 180 210 240
h 18 20 20 24 24 26 26 28 32 32 34 40 40 44
d2 11 14 14 14 14 18 18 18 18 18 18 18 18 22
Anz 4 4 4 4 4 4 4 4 4 8 8 8 8 8
M M10 M12 M12 M12 M12 M16 M16 M16 M16 M16 M16 M16 M16 M20
f 2.0 2.0 2.0 2.0 2.0 2.0 3.0 3.0 3.0 3.0 3.0 3.0 3.0 3.0
d4 38 40 45 58 68 78 88 102 122 122 138 158 188 212
STICHWORTE