Slide 1
Download our App
Slide 1
EKO ARTIC
Frostsicherer Kugelauslaufhahn (-20 °C)
Aus Messing CW617N vernickelt, mit Alu-Hebelgriff grün.
Weiter >
Slide 2
KUGELHÄHNE FÜR HEIZWASSER
mit Tauchfühleranschluss nach EN 1434-2,
mit Überwurfmutter für Wärmemengenzähler,
mit Hochtemperaturdichtungen für Solar geeignet
Weiter >
Slide 3
SWIFT-O-MATIC QM
Motorkugelhahn mit vollem Durchgang
Messing CW617 vernickelt, Anschlüsse IG oder Verschraubungen, komplett mit elektrischem IP54 Schwenkantrieb mit Steckverbindung "Quick Mounting"
Weiter >

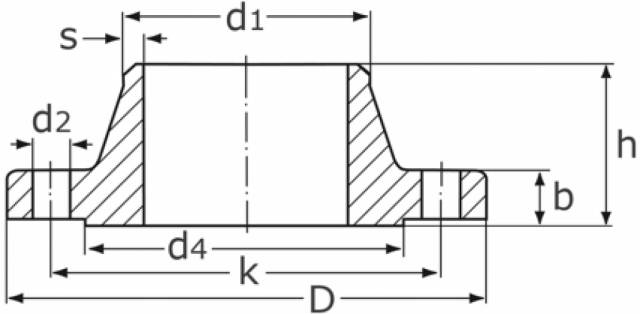
FLANSCHE - VORSCHWEISSFLANSCH

Druckstufe: PN6, PN10, PN16, PN25, PN40
Werkstoff: 1.4541, 1.4571, 304L, 316L
Nennweite: DN10-DN700



Angegeben sind gängige Werkstoffe, Druckstufen, Wandstärken und Rohrdurchmesser. Andere Ausführungen auf Anfrage.
Werstoff: 1.4541 Druckstufe: PN16
DN 10 15 20 25 32 40 50 65 80 100 125 150 175 200
Typ DIN DIN DIN DIN DIN DIN DIN/ EN DIN DIN/ EN DIN/ EN DIN/ EN DIN/ EN DIN/ EN DIN/ EN
d1 17.2 21.3 26.9 33.7 42.4 48.3 60.3 76.1 88.9 114.3 139.7 168.3 193.7 219.1
D 90 95 105 115 140 150 165 185 200 220 250 285 315 340
b 14 14 16 16 16 16 18 18 20 20 22 22 24 24
k 60 65 75 85 100 110 125 145 160 180 210 240 270 295
h 35 35 38 38 40 42 45 45 50 52 55 55 60 62
d4 40 45 58 68 78 88 102 122 138 158 188 212 242 268
s 1.8 2.0 2.3 2.6 2.6 2.6 2.9 2.9 3.2 3.6 4.0 4.5 5.4 6.3
d2 14 14 14 14 18 18 18 18 18 18 18 22 22 22
Anz 4 4 4 4 4 4 4 4 8 8 8 8 8 12
M M12 M12 M12 M12 M16 M16 M16 M16 M16 M16 M16 M20 M20 M20
kg 0.580 0.700 0.960 1.260 1.690 1.914 2.662 3.180 3.920 5.177 6.430 7.750 9.850 11.629
STICHWORTE