Slide 1
Download our App
Slide 1
EKO ARTIC
Frostsicherer Kugelauslaufhahn (-20 °C)
Aus Messing CW617N vernickelt, mit Alu-Hebelgriff grün.
Weiter >
Slide 2
KUGELHÄHNE FÜR HEIZWASSER
mit Tauchfühleranschluss nach EN 1434-2,
mit Überwurfmutter für Wärmemengenzähler,
mit Hochtemperaturdichtungen für Solar geeignet
Weiter >
Slide 3
SWIFT-O-MATIC QM
Motorkugelhahn mit vollem Durchgang
Messing CW617 vernickelt, Anschlüsse IG oder Verschraubungen, komplett mit elektrischem IP54 Schwenkantrieb mit Steckverbindung "Quick Mounting"
Weiter >

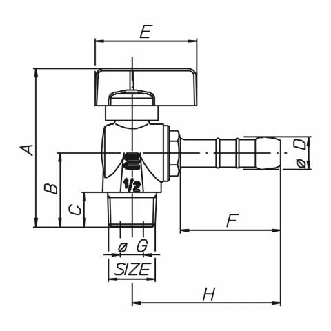
BON GAS SCHLAUCHTÜLLE - G.0314

Gas-Kugelhahn, Eckausführung, AG/Schlauchtülle ID 14mm, Plastik-Drehgriff, Messing vernickelt.


NENNWEITE3/8"1/2"
ARTIKELNUMMERG0314N03G0314N04
A mm65,168,5
B mm28,532
C mm11,915
øD mm1414
E mm4444
F mm44,544,5
øG Durchgang1010
H mm64,764,7
Gewicht gr.156165
ArticoloSpecifiche
G0314N03Gas-Kugelhahn, Eckausführung, AG/Schlauchtülle ID 14mm, Plastik-Drehgriff, Messing vernickelt. - 3/8" - ISO
G0314N04Gas-Kugelhahn, Eckausführung, AG/Schlauchtülle ID 14mm, Plastik-Drehgriff, Messing vernickelt. - 1/2" - ISO
STICHWORTE
  • Kugelhähne
  • SFERA - MASCHIO CONICO
  • MANUALI
  • RUBINETTI
  • RUBINETTI CON PORTAGOMMA

Eigenschaften BON GAS SCHLAUCHTÜLLE

INTERNATIONALE GENEHMIGUNGEN
BON•GAS-Kugelhähne sind nach der Norm DIN EN 331 zugelassen.
Die Art-Nr G0327, G0328, G0329 und G0330 sind DVGWzertifiziert.

EIGENSCHAFTEN
Standardserie, voller Durchgang, Langgewinde. Ausblassichere Spindel mit zwei O-Ringen. Perfekte Dichtigkeit bei niedrigem und hohem Druck. Lange Lebensdauer ohne Wartung. Öffnen und Schliessen durch 90°-Drehung des Hebels..

GEWINDE
DIN EN 10226 (DIN ISO 7/1).

ANWENDUNGEN
BON•GAS-Kugelhähne sind für alle Gas-Arten nach Arbeitsblatt G260 geeignet: Stadtgas (1. Klasse), Methangas (2. Klasse) und Flüssiggas (3. Klasse) in Anlagen für Gas mit niedrigem und mittlerem Druck.
BON•GAS-Kugelhähne eignen sich auch für die Verwendung mit heissem und kaltem Wasser, Druckluft, Ölen und Kohlenwasserstoffen im Allgemeinen.
Für besondere Anwendungen siehe die Beständigkeitstabelle im Downloadbereich.

BETRIEBSDRUCK
Für Gas max. PN 5 = 5 MOP (gemäss DIN EN 331). Bei Gebrauch mit anderen Flüssigkeiten von PN 80 (1/4") bis (4").
Siehe Druck/Temperatur-Diagramm.
Für Flüssiggas PN 5-20 = 5-20 MOP (gemäss DIN EN 331)
Die Dichtungskontrollen entsprechen der Norm DIN EN 331.

TEMPERATURGRENZWERTE
Für Gas -20°C +60°C. Bei anderen Gebrauchsarten -20°C +130°C.
Siehe Druck/Temperatur-Diagramm..


Druck/Temperatur-Diagramm
(Prüfung mit Wasser ausgeführt)
Druckverlust-Diagramm
Durchfluss=m3/h

Materialangaben BON GAS SCHLAUCHTÜLLE