Slide 1
Download our App
Slide 1
EKO ARTIC
Frostsicherer Kugelauslaufhahn (-20 °C)
Aus Messing CW617N vernickelt, mit Alu-Hebelgriff grün.
Weiter >
Slide 2
KUGELHÄHNE FÜR HEIZWASSER
mit Tauchfühleranschluss nach EN 1434-2,
mit Überwurfmutter für Wärmemengenzähler,
mit Hochtemperaturdichtungen für Solar geeignet
Weiter >
Slide 3
SWIFT-O-MATIC QM
Motorkugelhahn mit vollem Durchgang
Messing CW617 vernickelt, Anschlüsse IG oder Verschraubungen, komplett mit elektrischem IP54 Schwenkantrieb mit Steckverbindung "Quick Mounting"
Weiter >

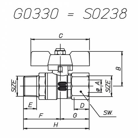
BON GAS - G.0330

Gas-Kugelhahn, mittelschwere Ausführung, red. Durchgang, AG/IG, Alu-Flügelgriff, Messing vernickelt.


Gas-Kugelhahn, AG/IG, mittelschwere Ausführung, reduzierter Durchgang, Gewinde nach DIN-ISO 7/1 Rp., DIN-DVGW für Gas zertifiziert, max. Druck MOP 5, Temp. –20°C bis 80°C, andere Medien siehe Druck/Temperaturdiagramm, Dichtung PTFE/VITON, Werkstoff : Pressmessing MS58 vernickelt, Flügelgriff gelb coloriert.
NENNWEITE1/2"3/4"1"
ARTIKELNUMMERG0330N34G0330N35G0330N36
øA Durchgang12,517,520
B mm3841,549
C mm525265
D mm1516,319,1
E mm13,214,516,8
F mm36,7541,545
G mm293640
H mm65,7577,585
SW mm253138
Gewicht gr.180307416
ArticoloSpecifiche
G0330N34Gas-Kugelhahn, mittelschwere Ausführung, red. Durchgang, AG/IG, Alu-Flügelgriff, Messing vernickelt. - 1/2" - ISO
G0330N35Gas-Kugelhahn, mittelschwere Ausführung, red. Durchgang, AG/IG, Alu-Flügelgriff, Messing vernickelt. - 3/4" - ISO
G0330N36Gas-Kugelhahn, mittelschwere Ausführung, red. Durchgang, AG/IG, Alu-Flügelgriff, Messing vernickelt. - 1" - ISO
STICHWORTE
  • Kugelhähne
  • SFERA - MASCHIO CONICO
  • MANUALI
  • DI LINEA
  • LEVA O FARFALLA
  • PASSAGGIO RIDOTTO

Eigenschaften BON GAS

INTERNATIONALE GENEHMIGUNGEN
BON•GAS-Kugelhähne sind nach der Norm DIN EN 331 zugelassen.
Die Art-Nr G0327, G0328, G0329 und G0330 sind DVGWzertifiziert.

EIGENSCHAFTEN
Standardserie, voller Durchgang, Langgewinde. Ausblassichere Spindel mit zwei O-Ringen. Perfekte Dichtigkeit bei niedrigem und hohem Druck. Lange Lebensdauer ohne Wartung. Öffnen und Schliessen durch 90°-Drehung des Hebels..

GEWINDE
DIN EN 10226 (DIN ISO 7/1).

ANWENDUNGEN
BON•GAS-Kugelhähne sind für alle Gas-Arten nach Arbeitsblatt G260 geeignet: Stadtgas (1. Klasse), Methangas (2. Klasse) und Flüssiggas (3. Klasse) in Anlagen für Gas mit niedrigem und mittlerem Druck.
BON•GAS-Kugelhähne eignen sich auch für die Verwendung mit heissem und kaltem Wasser, Druckluft, Ölen und Kohlenwasserstoffen im Allgemeinen.
Für besondere Anwendungen siehe die Beständigkeitstabelle im Downloadbereich.

BETRIEBSDRUCK
Für Gas max. PN 5 = 5 MOP (gemäss DIN EN 331). Bei Gebrauch mit anderen Flüssigkeiten von PN 80 (1/4") bis (4").
Siehe Druck/Temperatur-Diagramm.
Für Flüssiggas PN 5-20 = 5-20 MOP (gemäss DIN EN 331)
Die Dichtungskontrollen entsprechen der Norm DIN EN 331.

TEMPERATURGRENZWERTE
Für Gas -20°C +60°C. Bei anderen Gebrauchsarten -20°C +130°C.
Siehe Druck/Temperatur-Diagramm..


Druck/Temperatur-Diagramm
(Prüfung mit Wasser ausgeführt)
Druckverlust-Diagramm
Durchfluss=m3/h

Materialangaben BON GAS