Slide 1
Download our App
Slide 1
EKO ARTIC
Frostsicherer Kugelauslaufhahn (-20 °C)
Aus Messing CW617N vernickelt, mit Alu-Hebelgriff grün.
Weiter >
Slide 2
KUGELHÄHNE FÜR HEIZWASSER
mit Tauchfühleranschluss nach EN 1434-2,
mit Überwurfmutter für Wärmemengenzähler,
mit Hochtemperaturdichtungen für Solar geeignet
Weiter >
Slide 3
SWIFT-O-MATIC QM
Motorkugelhahn mit vollem Durchgang
Messing CW617 vernickelt, Anschlüsse IG oder Verschraubungen, komplett mit elektrischem IP54 Schwenkantrieb mit Steckverbindung "Quick Mounting"
Weiter >

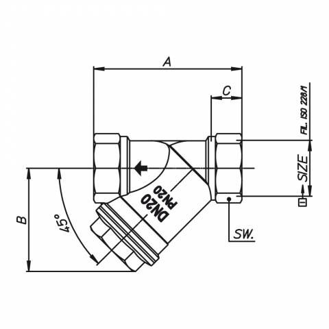
SCHMUTZFÄNGER - H.0400

Schmutzfänger (Messing blank) mit Edelstahlsieb (Maschenweite 0,4 - 0,5 mm).



NENNWEITE3/8"1/2"3/4"1"1"1/41"1/22"
ARTIKELNUMMERH0400S03H0400S04H0400S05H0400S06H0400S07H0400S08H0400S09
A mm5558708796106126
B mm40405060687590
C mm10121317152122
SW mm21253138485568
ø Durchgang0,40,40,40,40,50,50,5
leer/voll %38%38%38%38%48%48%48%
PN bar20202020202020
Gewicht gr.1421502404486098331330
ArticoloSpecifiche
H0400S03Schmutzfänger (Messing blank) mit Edelstahlsieb (Maschenweite 0,4 - 0,5 mm). - 3/8" - ISO
H0400S04Schmutzfänger (Messing blank) mit Edelstahlsieb (Maschenweite 0,4 - 0,5 mm). - 1/2" - ISO
H0400S05Schmutzfänger (Messing blank) mit Edelstahlsieb (Maschenweite 0,4 - 0,5 mm). - 3/4" - ISO
H0400S06Schmutzfänger (Messing blank) mit Edelstahlsieb (Maschenweite 0,4 - 0,5 mm). - 1" - ISO
H0400S07Schmutzfänger (Messing blank) mit Edelstahlsieb (Maschenweite 0,4 - 0,5 mm). - 1"1/4 - ISO
H0400S08Schmutzfänger (Messing blank) mit Edelstahlsieb (Maschenweite 0,4 - 0,5 mm). - 1"1/2 - ISO
H0400S09Schmutzfänger (Messing blank) mit Edelstahlsieb (Maschenweite 0,4 - 0,5 mm). - 2" - ISO
STICHWORTE
  • Fittings
  • FILTRI - RACCORDI GENERICI
  • FILTRI ACQUA