WASSER
GAS
AUTOMATISIERUNG
EDELSTAHL
SYSTEM- UND OEM-LÖSUNGEN
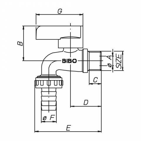
Kugelauslaufhahn AG/Schlauchverschraubung, Drehgriff aus ABS weiß, Messing vernickelt.


| NENNWEITE | 3/8" | 1/2" |
| ARTIKELNUMMER | S0032N03 | S0032N04 |
| øA Durchgang | 10 | 10 |
| B mm | 37,5 | 37,5 |
| C mm | 15 | 15 |
| D mm | 33 | 33 |
| E mm | 71 | 71 |
| øF mm | 16 | 16 |
| G mm | 50 | 50 |
| Gewicht gr. | 178 | 185 |
| Articolo | Specifiche |
|---|---|
| S0032N03 | Kugelauslaufhahn AG/Schlauchverschraubung, Drehgriff aus ABS weiß, Messing vernickelt. - 3/8" - ISO |
| S0032N04 | Kugelauslaufhahn AG/Schlauchverschraubung, Drehgriff aus ABS weiß, Messing vernickelt. - 1/2" - ISO |
Druck/Temperatur-Diagramm (Prüfung mit Wasser ausgeführt) |
Druckverlust-Diagramm |
![]() |
|
| Durchfluss=m3/h | |