WASSER
GAS
AUTOMATISIERUNG
EDELSTAHL
SYSTEM- UND OEM-LÖSUNGEN
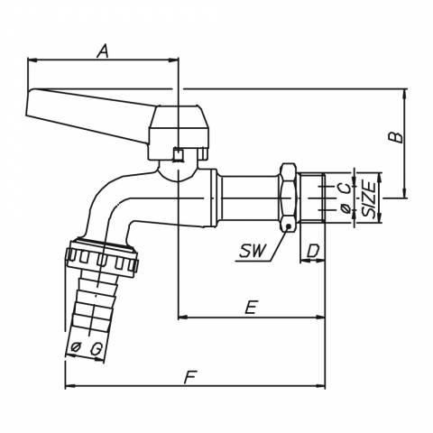
Kugelauslaufhahn PN 16, Schlauchanschluß, Alu-Hebelgriff (verchromt), Messing vernickelt.

| NENNWEITE | 1/2" |
| ARTIKELNUMMER | S0101C04 |
| A mm | 63 |
| B mm | 45,5 |
| øC Durchgang | 10 |
| D mm | 12 |
| E mm | 61,2 |
| F mm | 108 |
| SW mm | 25 |
| Gewicht gr. | 269 |
| Articolo | Specifiche |
|---|---|
| S0101C04 | Kugelauslaufhahn PN 16, Schlauchanschluß, Alu-Hebelgriff (verchromt), Messing vernickelt. - 1/2" - ISO |
Druck/Temperatur-Diagramm (Prüfung mit Wasser ausgeführt) |
Druckverlust-Diagramm |
![]() |
|
| Durchfluss=m3/h | |