Slide 1
Download our App
Slide 1
EKO ARTIC
Frostsicherer Kugelauslaufhahn (-20 °C)
Aus Messing CW617N vernickelt, mit Alu-Hebelgriff grün.
Weiter >
Slide 2
KUGELHÄHNE FÜR HEIZWASSER
mit Tauchfühleranschluss nach EN 1434-2,
mit Überwurfmutter für Wärmemengenzähler,
mit Hochtemperaturdichtungen für Solar geeignet
Weiter >
Slide 3
SWIFT-O-MATIC QM
Motorkugelhahn mit vollem Durchgang
Messing CW617 vernickelt, Anschlüsse IG oder Verschraubungen, komplett mit elektrischem IP54 Schwenkantrieb mit Steckverbindung "Quick Mounting"
Weiter >

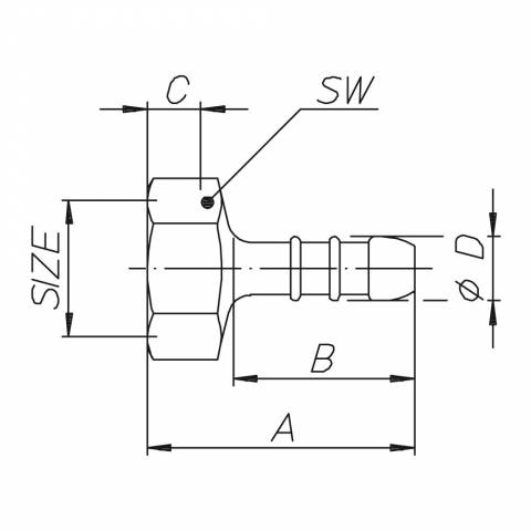
MUFFENSCHIEBER UND FITTINGS - G.0663

Schlauchverschraubung IG, Messing vernickelt.



NENNWEITE3/8"1/2"
ARTIKELNUMMERG0663N03G0663N04
A mm36,539
B mm26,627,3
C mm7,28,2
øD mm10,510,5
SW mm1924
Gewicht gr.2233
ArticoloSpecifiche
G0663N03Schlauchverschraubung IG, Messing vernickelt. - 3/8" - ISO
G0663N04Schlauchverschraubung IG, Messing vernickelt. - 1/2" - ISO
STICHWORTE
  • Fittings
  • FILTRI - RACCORDI GENERICI
  • RACCORDI E COLLARI