WASSER
GAS
AUTOMATISIERUNG
EDELSTAHL
SYSTEM- UND OEM-LÖSUNGEN
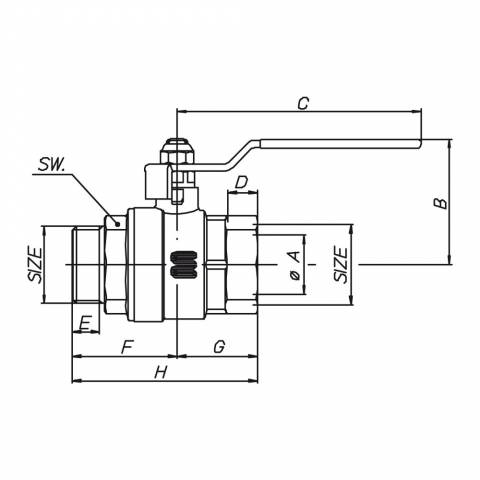
Kugelhahn, voller Durchgang, AG/IG, Stahl-Hebelgriff (PVC isoliert), Messing vernickelt.



| NENNWEITE | 1/2" | 3/4" | 1" | 1"1/4 | 1"1/2 | 2" |
| ARTIKELNUMMER | S0212N04 | S0212N05 | S0212N06 | S0212N07 | S0212N08 | S0212N09 |
| øA Durchgang | 15 | 20 | 25 | 32 | 40 | 50 |
| B mm | 39,5 | 47,5 | 51,5 | 62 | 71 | 85,5 |
| C mm | 90 | 105 | 105 | 120 | 140 | 170 |
| D mm | 9,5 | 11 | 12,5 | 13,5 | 15,5 | 17,5 |
| E mm | 9,7 | 10,7 | 11,7 | 13,2 | 14,7 | 16,7 |
| F mm | 35 | 40,5 | 44,5 | 47,5 | 54,5 | 65 |
| G mm | 24,5 | 29,5 | 35 | 40,5 | 47 | 56 |
| H mm | 59,5 | 70 | 79,5 | 98 | 101,5 | 121 |
| SW mm | 25 | 31 | 38 | 47 | 54 | 66 |
| Gewicht gr. | 199 | 340 | 475 | 760 | 1154 | 1800 |
| Articolo | Specifiche |
|---|---|
| S0212N04 | Kugelhahn, voller Durchgang, AG/IG, Stahl-Hebelgriff (PVC isoliert), Messing vernickelt. - 1/2" - ISO |
| S0212N05 | Kugelhahn, voller Durchgang, AG/IG, Stahl-Hebelgriff (PVC isoliert), Messing vernickelt. - 3/4" - ISO |
| S0212N06 | Kugelhahn, voller Durchgang, AG/IG, Stahl-Hebelgriff (PVC isoliert), Messing vernickelt. - 1" - ISO |
| S0212N07 | Kugelhahn, voller Durchgang, AG/IG, Stahl-Hebelgriff (PVC isoliert), Messing vernickelt. - 1"1/4 - ISO |
| S0212N08 | Kugelhahn, voller Durchgang, AG/IG, Stahl-Hebelgriff (PVC isoliert), Messing vernickelt. - 1"1/2 - ISO |
| S0212N09 | Kugelhahn, voller Durchgang, AG/IG, Stahl-Hebelgriff (PVC isoliert), Messing vernickelt. - 2" - ISO |
Druck/Temperatur-Diagramm |
Druckverlust-Diagramm |
![]() |
|
| Durchfluss=m3/h | |