EIGENSCHAFTEN
Leichte Ausführung, voller Durchgang.
Perfekte Dichtigkeit bei niedrigem und hohem Druck.
Abnutzungsresistent; stabile und leistungsfähige Materialien.
Schnelles Öffnen und Schließen durch 90°-Drehung.
Direkte Sichtkontrolle der “Auf/Zu”-Position.
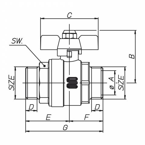
GEWINDE
ISO 228/1 Standard.
ANWENDUNGEN
BASIC-Kugelhähne sind geeignet für die Verwendung mit heißem und
kaltem Wasser, Druckluft, Ölen, nichtkorrosiven Flüssigkeiten und
Kohlenwasserstoffen allgemein.
Für besondere Anwendungen siehe die Beständigkeitstabelle im Downloadbereich.
BETRIEBSDRUCK
PN 30.
Siehe Druck/Temperatur-Diagramm.
TEMPERATURGRENZWERTE
-20°C + 140°C.
Siehe Druck/Temperatur-Diagramm.
ANMERKUNG
Auf Anfrage aus Messing CW625N / CW626N für aggressive
Medien gemäß DIN EN ISO 6509 erhältlich.
Druck/Temperatur-Diagramm (Prüfung mit Wasser ausgeführt) |
Druckverlust-Diagramm |
 |
| Durchfluss=m3/h |