WASSER
GAS
AUTOMATISIERUNG
EDELSTAHL
SYSTEM- UND OEM-LÖSUNGEN
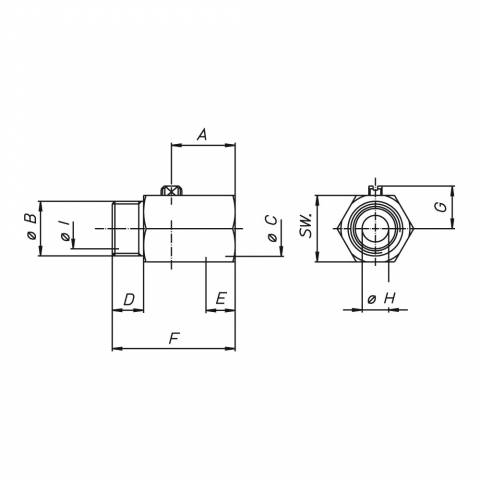
Kugelhahn, AG/IG, einteiliges 6-Kant- Gehäuse, Betätigung durch Schraubendreher, Messing verchromt.

| NENNWEITE | 1/8" | 1/4" | 3/8" | 1/2" | 3/4" |
| ARTIKELNUMMER | S0334C01 | S0334C02 | S0334C03 | S0343C04 | S0334C05 |
| A mm | 18 | 18 | 21 | 24 | 27 |
| øB | G.1/8" | G.1/4" | G.3/8" | G.1/2" | G.3/4" |
| øC | G.1/8" | G.1/4" | G.3/8" | G.1/2" | G.3/4" |
| D mm | 9 | 9 | 9 | 10,5 | 13,5 |
| E mm | 9 | 9 | 9 | 10,5 | 13,5 |
| F mm | 39 | 39 | 40 | 45 | 51 |
| G mm | 12,5 | 12,5 | 12,5 | 14,5 | 17 |
| øH mm | 6 | 8 | 8 | 10 | 12 |
| øI mm | 6 | 8 | 12 | 15 | 18 |
| SW mm | 21 | 21 | 21 | 25 | 30 |
| Gewicht gr. | 77 | 76 | 73 | 97 | 173 |
| Articolo | Specifiche |
|---|---|
| S0334C01 | Kugelhahn, AG/IG, einteiliges 6-Kant- Gehäuse, Betätigung durch Schraubendreher, Messing verchromt. - 1/8" x 6 - ISO |
| S0334C02 | Kugelhahn, AG/IG, einteiliges 6-Kant- Gehäuse, Betätigung durch Schraubendreher, Messing verchromt. - 1/4" x 8 - ISO |
| S0334C03 | Kugelhahn, AG/IG, einteiliges 6-Kant- Gehäuse, Betätigung durch Schraubendreher, Messing verchromt. - 3/8" x 12 - ISO |
| S0334C04 | Kugelhahn, AG/IG, einteiliges 6-Kant- Gehäuse, Betätigung durch Schraubendreher, Messing verchromt. - 1/2" x 15 - ISO |
| S0334C05 | Kugelhahn, AG/IG, einteiliges 6-Kant- Gehäuse, Betätigung durch Schraubendreher, Messing verchromt. - 3/4" x 18 - ISO |
Druck/Temperatur-Diagramm (Prüfung mit Wasser ausgeführt) |
Druckverlust-Diagramm |
![]() |
|
| Durchfluss=m3/h | |