WASSER
GAS
AUTOMATISIERUNG
EDELSTAHL
SYSTEM- UND OEM-LÖSUNGEN
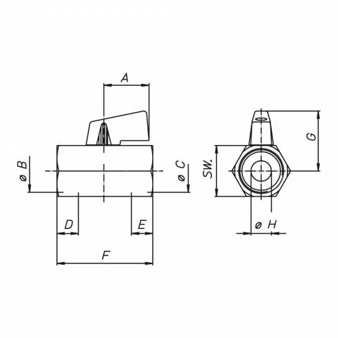
Kugelhahn, IG/IG, einteiliges 6-Kant-Gehäuse aus Messing verchromt, Hebelgriff verchromt.

| NENNWEITE | 1/8" | 1/4" | 3/8" | 1/2" | 3/4" |
| ARTIKELNUMMER | S1317C01 | S1317C02 | S1317C03 | S1317C04 | S1317C05 |
| A mm | 22 | 22 | 22 | 22 | 22 |
| øB | G.1/8" | G.1/4" | G.3/8" | G.1/2" | G.3/4" |
| øC | G.1/8" | G.1/4" | G.3/8" | G.1/2" | G.3/4" |
| D mm | 9 | 9 | 10 | 10,5 | 13,5 |
| E mm | 9 | 9 | 9 | 10,5 | 13,5 |
| F mm | 39 | 39 | 42 | 47 | 54 |
| G mm | 27 | 27 | 27 | 29 | 31,5 |
| øH mm | 6 | 8 | 8 | 10 | 12 |
| SW mm | 21 | 21 | 21 | 25 | 30 |
| Gewicht gr. | 90 | 95 | 87 | 111 | 193 |
| Articolo | Specifiche |
|---|---|
| S1317C03 | Kugelhahn, IG/IG, einteiliges 6-Kant-Gehäuse aus Messing verchromt, Hebelgriff verchromt. - 3/8" - ISO |
| S1317C04 | Kugelhahn, IG/IG, einteiliges 6-Kant-Gehäuse aus Messing verchromt, Hebelgriff verchromt. - 1/2" - ISO |
Druck/Temperatur-Diagramm (Prüfung mit Wasser ausgeführt) |
Druckverlust-Diagramm |
![]() |
|
| Durchfluss=m3/h | |