Slide 1
Download our App
Slide 1
EKO ARTIC
Frostsicherer Kugelauslaufhahn (-20 °C)
Aus Messing CW617N vernickelt, mit Alu-Hebelgriff grün.
Weiter >
Slide 2
KUGELHÄHNE FÜR HEIZWASSER
mit Tauchfühleranschluss nach EN 1434-2,
mit Überwurfmutter für Wärmemengenzähler,
mit Hochtemperaturdichtungen für Solar geeignet
Weiter >
Slide 3
SWIFT-O-MATIC QM
Motorkugelhahn mit vollem Durchgang
Messing CW617 vernickelt, Anschlüsse IG oder Verschraubungen, komplett mit elektrischem IP54 Schwenkantrieb mit Steckverbindung "Quick Mounting"
Weiter >

- G.0362

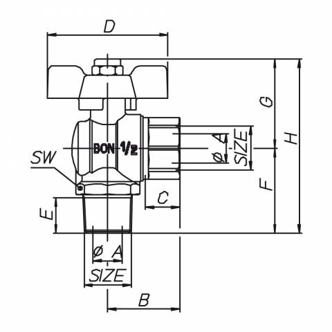
Gas-Kugelhahn, Eckausführung, AG/IG, Alu-Flügelgriff, Messing vernickelt.



Gas-Kugelhahn, AG/IG, Eckausführung, reduzierter Durchgang, Gewinde nach DIN-ISO 7/1 Rp., Temp. –20°C bis 80°C, andere Medien siehe Druck/Temperaturdiagramm, Dichtung PTFE/VITON, Werkstoff : Pressmessing MS58 vernickelt, Alu-Flügelgriff gelb coloriert.
NENNWEITE1/2"x1/2"
NENNWEITE1/2"x1/2"
ARTIKELNUMMERG0362N34
øA pass./bore12,5
øA pass./bore12,5
B mm31
B mm31
C mm15
C mm15
D mm52
D mm52
E mm15
E mm15
F mm36,5
F mm36,5
G mm38,5
G mm38,5
H mm75
H mm75
SW mm26
SW mm26
Peso/Weight gr.222
Peso/Weight gr.222
ArticoloSpecifiche
G0362N34Gas-Kugelhahn, Eckausführung, AG/IG, Alu-Flügelgriff, Messing vernickelt. - 1/2" X 1/2" - ISO
STICHWORTE
  • Kugelhähne
  • SFERA - MASCHIO CONICO
  • MANUALI
  • RUBINETTI
  • RUBINETTI PER FLESSIBILI