Slide 1
Download our App
Slide 1
EKO ARTIC
Frostsicherer Kugelauslaufhahn (-20 °C)
Aus Messing CW617N vernickelt, mit Alu-Hebelgriff grün.
Weiter >
Slide 2
KUGELHÄHNE FÜR HEIZWASSER
mit Tauchfühleranschluss nach EN 1434-2,
mit Überwurfmutter für Wärmemengenzähler,
mit Hochtemperaturdichtungen für Solar geeignet
Weiter >
Slide 3
SWIFT-O-MATIC QM
Motorkugelhahn mit vollem Durchgang
Messing CW617 vernickelt, Anschlüsse IG oder Verschraubungen, komplett mit elektrischem IP54 Schwenkantrieb mit Steckverbindung "Quick Mounting"
Weiter >

ISO TOP ANTRIEBE - S.2860

Elektrostellantriebe IP55 mit Handbetätigung.


STELLANTRIEBE
Elektrische Stellantriebe

ELEKTRISCHE STELLANTRIEBE MIT STECKVERBINDER QM (QUICK MOUNTING)

ART.NR

R2814

SPANNUNGSVERSORGUNG

24V 50-60Hz

LEISTUNGSAUFNAHME

3.5W

DREHMOMENT

10 Nm max.

LAUFZEIT [S/90°]

60

DREHSINN

einzige Drehrichtung

BAUART

Steckverbinder QM (Quick Mounting)

SCHWENKBEREICH

90°

EINGÄNGE

1 (blau) Neutral, 2 (schwarz) Phase, 3 (braun) Schaltung Auf/Zu

AUSGÄNGE

mit integriertem potentialfreien Mikroschalter: bei geöffnetem Kugelhahn, Phase an Klemme 4

SCHUTZART

(weiss/grau) vorhanden

ELEKTRISCHE ANSCHLUSSE

IP54

GEWICHT

5 Anschlussklemme, Kabel isoliert

TEMPERATURBEREICH

0.8 Kg

SONDERAUSFÜHRUNGEN

SPANNUNGSVERSORGUNG

24VDC, 115/230V 50-60Hz

EINGÄNGE

3-Drahtbeschaltung (ohne integrierter Mikroschalter)

ZUSÄTZLICHE AUSGÄNGE

1 N.O. CONTACT 10A(2)A 250V (UL)125/250VAC 8A1/4HP

DREHSINN

zwei Drehrichtungen


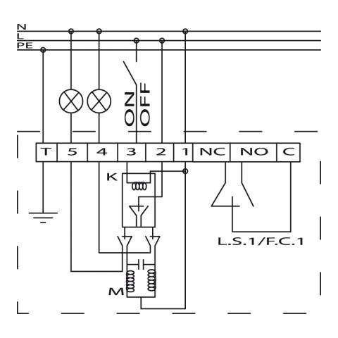
ELEKTRISCHE SCHALTPLÄNE

 
 

1 - NEUTRAL 24V 50/60HZ (3.5W)
2 - PHASE 24V 50/60HZ (3.5W)
3 - SCHALTUNG AUF/ZU
4 - BEI GEÖFFNETEM KUGELHAHN,
      PHASE AN KLEMME 4 VORHANDEN
5 – ERDUNG

N - NEUTRAL
L - PHASE
T - RAUMTHERMOSTAT ANWENDUNGSBEISPIEL
K - PUMPE (ANWENDUNGSBEISPIEL)
L.S. - MIKROSCHALTER 250V 10A (AC1)


ANSCHLUSSBESCHREIBUNG (2 DRÄHTE, SPST)

KLEMME

FARBE

TYP

ANSCHLUSS

BESCHREIBUNG

1

BLAU

EINGANG

NEUTRAL

NEUTRAL

2

SCHWARZ

EINGANG

PHASE

SPANNUNGSVERSORGUNG

3

BRAUN

SCHALTUNG

PHASE

WIRD DIE PHASE AN DIE KLEMME 3

4

WEISS/GRAU

AUSGANG

PHASE

ANGESCHLOSSEN, ÖFFNET DER

5

GELB/GRÜN

ERDUNG

ERDUNG

KUGELHAHN; BEI FEHLENDEM


ELEKTRISCHE PROPORTIONALE STELLANTRIEBE MIT STECKVERBINDER QM (QUICK MOUNTING)

ART.NR

S2912

SPANNUNGSVERSORGUNG

24V 50-60Hz

LEISTUNGSAUFNAHME

5 W

DREHMOMENT

10 Nm max.

LAUFZEIT [S/90°]

60

DREHSINN

zwei Drehrichtungen

BAUART

Steckverbinder QM (Quick Mounting)

SCHWENKBEREICH

90°

EINGÄNGE

1 (rot) Neutral, 2 (blau) Phase, 3 (grün) Steuersignal 0 … 10 VDC

AUSGÄNGE

Positionsrückmeldung 0 … 10 VDC , integrierte potentialfreie Mikroschalter

SCHUTZART

IP54

ELEKTRISCHE ANSCHLUSSEE

7 Anschlussklemme, Kabel isoliert

GEWICHT

0.8 Kg

TEMPERATURBEREICH

-20°C bis 80°C


ELEKTRISCHE SCHALTPLÄNE

 

1 - NEUTRAL 24V 50/60HZ (5W)
2 - PHASE 24V 50/60HZ (5W)
3 - 0..10V STEUERSIGNAL
4 - 0..10V       POSITIONSRÜCKMELDUNG
5 - N.C. MIKRO
6 - MIKROSCHALTER       HAUPTKONTAKT
7 - N.O. MIKRO


ANSCHLUSSBESCHREIBUNG UND EINSTELLUNGEN

KLEMME

FARBE

TYP

ANSCHLUSS

BESCHREIBUNG

1

ROT

EINGANG

NEUTRAL

NEUTRAL

2

BLAU

EINGANG

PHASE

SPANNUNGSVERSORGUNG

3

GRÜN

EINGANG

ANSTEUERUNG

STEUERSIGNAL 0 … 10 VDC

4

ROSA

AUSGANG

-

POSITIONSRÜCKMELDUNG

5

WEISS

AUSGANG

MIKRO

0 … 10 VDC

6

BRAUN

COM

MIKRO

N.C. MIKRO: BEI GESCHLOSSENEM

7

GRAU

AUSGANG

MIKRO

KUGELHAHN, MIT DEM


KUGELSTARTPUNKTSIGNAL 
einstellbar (0 bis 5 VDC) mittels Einstellschraube auf dem Gehäuse

KUGELENDPUNKTSIGNAL 
einstellbar (2 bis 10 VDC) mittels Einstellschraube auf dem Gehäuse

MIKROSCHALTPUNKT 
einstellbar (0 bis 10 VDC) mittels Einstellschraube auf dem Gehäuse

LED-BETRIEBSZUSTAND 
Grün: in Betrieb
Grün blinkend: Position erreicht
Rot: Mikroschalter ON
Rot blinkend: Fehlermeldung

ELEKTRISCHE STELLANTRIEBE

   

ELEKTROSTELLANTRIEBE HEAVY DUTY (INDUSTRIE)

ELEKTROSTELLANTRIEBE LITE

PROPORTIONALER ELEKTROSTELLANTRIEBE HEAVY DUTY (INDUSTRIE)

Spannungsversorgung 24/110/230V A.C. 50 Hz
Schutzart: IP 65
Stromaufnahme: 4,4VA
Temperaturbereich: -10°C +70°C
Drehmoment: 9,8 Nm
Elektrische Ausstattung: mit/ohne integrierteM Mikro
Laufzeit: 35 s / 90°
Andere Laufzeiten auf Anfrage

Spannungsversorgung 24/230V A.C. 50 Hz
Schutzart: IP 54
Stromaufnahme: 4,4VA
Temperaturbereich: -10°C +70°C
Drehmoment: 8 Nm
Elektrische Ausstattung: mit integriertem Mikro
Laufzeit: 45 s / 90°
Drehrichtungen: zwei Sonderausführungen auf Anfrage

Spannungsversorgung: 24/110/230V A.C. 50 Hz
Schutzart: IP 55
Temperaturbereich: -10°C +70°C
Drehmoment: 9,8 Nm
Laufzeit: 48 s / 90°
Steuersignal : 4-20 mA (0-20 mA;
0-10 VDC)
Schwenkbereich: 0-90° , 0-180°

 


Aufgrund der starken Preisschwankungen auf dem Rohstoffmarkt finden Sie zu den einzelnen Produkten keine Preise. Gerne erstellen wir Ihnen ein persönliches Angebot. Nehmen Sie dazu per Email, Fax oder Telefon mit uns Kontakt auf. Wir beraten Sie gerne. Für alle Anfragen gilt: Nennen Sie uns die Artikelnummer + Größe des von Ihnen gewählten Produkts. So erhalten Sie schnellstmöglich ein Angebot.

BONGAS Deutschland GmbH – Raiffeisenstrasse 13 – D-77704 Oberkirch
Tel. +49(0)7802 - 7040-640 | Fax. +49(0) 7802 - 7040-699   [email protected]
SIZE-
A mm140
B mm113
C mm81
D mm9-11
E mm30
FLANGIAF03
ArticoloSpecifiche
S2860P06Elektrostellantriebe IP55 mit Handbetätigung. - 1/4" - 1"
S2860P07Elektrostellantriebe IP55 mit Handbetätigung. - 1"1/4 - 1"1/2
S2860P10Elektrostellantriebe IP55 mit Handbetätigung. - 2"
STICHWORTE
  • Kugelhähne
  • SFERA - MASCHIO CONICO
  • MOTORIZZATE
  • CONNESSIONE FLANGIA ISO ON-OFF

Eigenschaften ISO TOP ANTRIEBE

EIGENSCHAFTEN GENERALI
L'applicazione tipica dell'attuatore elettrico motorizzato e' l'attuazione ON-OFF o PROPORZIONALE di valvole con flangia di connessione ISO 5211.

MOTORE
L'attuatore elettrico motorizzato e' costituito da un motore sincrono reversibile a corrente alternata monofase a magnete permanente a 2 sensi di marcia e a 2 bobine. Il senso di rotazione e' garantito da un condensatore che produce uno sfasamento elettrico di 90° tra le due bobine. Le tensioni di alimentazione disponibili sono 24V, 110V e 230V 50-60 Hz.
La velocità di un motore alimentato a 60Hz è del 20% superiore a quella di un motore alimentato a 50Hz.

RIDUTTORE
Il riduttore e' stato studiato per assicurare una durata di vita ottimale in funzione della coppia massima ammissibile sull'albero finale. Tutti gli ingranaggi sono in metallo,le bronzine sinterizzate,l'albero finale è trattato termicamente per garantirne l'affidabilità nel tempo. La lubrificazione e' a vita. Tutte le viti di fissaggio sono in acciaio inox.

ELETTRONICA
Il posizionamento è garantito da una scheda elettronica completa di due finecorsa e un condensatore.
La connessione viene effettuata tramite un connettore a 6 poli e un pressacavo che garantisce il grado di protezione. Il segnale in ingresso è SPST a 2 PUNTI, ON-OFF con relè integrato. Per il collegamento elettrico vedi l'apposito grafico elettrico a blocchi.
Grado di protezione : da IP54 a IP65
Temperatura di lavoro : -20° + 70°, ove richiesto utilizzare kit distanziali e/o scaldiglie.

Per l'installazione si raccomanda di seguire il libretto di istruzioni.