Slide 1
Download our App
Slide 1
EKO ARTIC
Frostsicherer Kugelauslaufhahn (-20 °C)
Aus Messing CW617N vernickelt, mit Alu-Hebelgriff grün.
Weiter >
Slide 2
KUGELHÄHNE FÜR HEIZWASSER
mit Tauchfühleranschluss nach EN 1434-2,
mit Überwurfmutter für Wärmemengenzähler,
mit Hochtemperaturdichtungen für Solar geeignet
Weiter >
Slide 3
SWIFT-O-MATIC QM
Motorkugelhahn mit vollem Durchgang
Messing CW617 vernickelt, Anschlüsse IG oder Verschraubungen, komplett mit elektrischem IP54 Schwenkantrieb mit Steckverbindung "Quick Mounting"
Weiter >

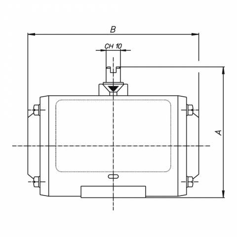
PNEUMATISCHE ALU-ANTRIEBE - S.2951P

Pneumatischer Stellantrieb, Technopolymer-Ausführung


ArticoloSpecifiche
S2951P06Pneumatischer Stellantrieb, Technopolymer-Ausführung - 1/4" - 1"
S2951P07Pneumatischer Stellantrieb, Technopolymer-Ausführung - 1"1/4 - 2"
S2951P20Pneumatischer Stellantrieb, Technopolymer-Ausführung - 2"1/2 - 3"
STICHWORTE
  • Kugelhähne
  • SFERA - MASCHIO CONICO
  • MOTORIZZATE
  • TECNOPOLIMERO DOPPIO EFFETTO

Eigenschaften PNEUMATISCHE ALU-ANTRIEBE

Attuatori pneumatici in alluminio

Gli attuatori pneumatici in alluminio a cremagliera (Rack & Pinion) Enolgas sono adatti per applicazioni nell'automazione civile ed industriale. Sono disponibili sia a doppio che a semplice effetto in diverse dimensioni e configurazioni e con forature secondo la norma ISO 5211. Gli attuatori sono provvisti di marcatura CE, certificato Ped e Atex.