Slide 1
Download our App
Slide 1
EKO ARTIC
Frostsicherer Kugelauslaufhahn (-20 °C)
Aus Messing CW617N vernickelt, mit Alu-Hebelgriff grün.
Weiter >
Slide 2
KUGELHÄHNE FÜR HEIZWASSER
mit Tauchfühleranschluss nach EN 1434-2,
mit Überwurfmutter für Wärmemengenzähler,
mit Hochtemperaturdichtungen für Solar geeignet
Weiter >
Slide 3
SWIFT-O-MATIC QM
Motorkugelhahn mit vollem Durchgang
Messing CW617 vernickelt, Anschlüsse IG oder Verschraubungen, komplett mit elektrischem IP54 Schwenkantrieb mit Steckverbindung "Quick Mounting"
Weiter >

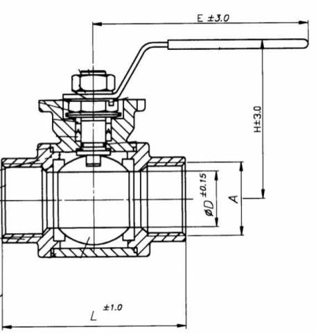
AUTOMATISIERUNG - VL.Z321 L/T

3-Wege- Edelstahlkugelhahn mit Innengewinde, reduzierter Durchgang, PN63, L oder T Bohrung


3-Wege-Kugelhahn mit Innengewinde DIN 2999, L-Bohrung, mit Griff oder ISO Anbauplatte, für den Einsatz mit Elektro- oder Pneumatikantrieben Nennweite: Rp 1/4" bis Rp 2" PN 63 Ausführung: ausblassichere Schaltwelle Gehäuse: 14.408 Kugel: 14.401 Schaltwelle: 14.401 Dichtungen: PTFE, verstärkt Temperaturbereich: -20°C bis + 180°C (abhängig vom Betriebsdruck)
NENNWEITE 1/4" 3/8" 1/2" 3/4" 1" 1 1/4" 1 1/2" 2"
ARTIKELNUMMER VL321L/T02 VL321L/T03 VL321L/T04 VL321L/T05 VL321L/T06 VL321L/T07 VL321L/T08 VL321L/T09
ØD 11.6 12.7 12.0 15.0 20.0 25.0 32.0 40.0
E 114 114 114 133 133 187 187 187
H 73 73 73 78 83 92 98 126
L 80.0 80.0 80.0 87.5 100.0 123.0 142.2 170.6
B 7.4 7.4 7.4 12.8 11.4 12.4 9.8 15.8
U 9 9 9 11 11 11 11 14
d1 36 36 36 42 42 42 42 50
d2 5.5 5.5 5.5 5.5 5.5 5.5 5.5 6.5
d3 42 42 42 50 50 50 50 70
d4 5.5 5.5 5.5 6.5 6.5 6.5 6.5 8.5
ISO 5211 F03.F04 F03.F04 F03.F04 F04.F05 F04.F05 F04.F05 F04.F05 F05.F07
Nm 8 8 8 11 18 26 32 37
STICHWORTE

Eigenschaften AUTOMATISIERUNG

Werkstoffübersicht


Werkstoff: 1.4571

Legierung: X6CrNiMoTi17-12-2
AISI: AISI316Ti

Unser Standard-Werkstoff in der Drehteilbearbeitung. Alle Gewindefittings werden vorwiegend aus diesem Werkstoff gefertigt. Apparate und Bauteile der chemischen Industrie, Textil-Industrie, Zelluloseherstellung, Färbereien, sowie in der Foto-, Farben-, Kunstharz- und Gummiindustrie.

Werkstoff: 1.4541

Legierung: X6CrNiTi18-10
AISI: AISI321

Apparate und Bauteile der Nahrungsmittel-Industrie, Genussmittel-, Film und Foto-Industrie, sowie für Gebrauchsgegenstände im Haushalt

Werkstoff: 1.4539

Legierung: X2CrNiMoN22-5-3

Besonders gut beständig gegenüber stark angreifenden Medien wie Phosphor-, Schwefel- und Salzsäure, hohe Lochfraß- und Spannungsrisskorrosionsbeständigkeit

Werkstoff: 1.4462

Legierung: X6CrNiMoTi17-12-2

Chemische und Petrochemische Industrie, hohe Beständigkeit gegen Spannungsrisskorrosion in chlorhaltigen Medien und gegen Lochfraß, auch geschweißt beständig gegen interkristalline Korrosion

Werkstoff: 1.4401

Legierung: X5CrNiMo17-12-2
AISI: AISI316

Teile und Apparate in der Zellstoff-, Zellwolle-, Textil-, Öl- und Kunstseiden-Industrie, Molkereien, Brauereien.

Werkstoff: 1.4404

Legierung: X2CrNiMo17-13-2
AISI: AISI316L

Teile und Apparate in der Zellstoff-, Zellwolle-, Textil-, Öl- und Kunstseiden-Industrie, Molkereien, Brauereien. Einsatz als Gusswerkstoff bei Feingussfittings.

Werkstoff: 1.4408

Legierung: G-X6CrNiMo18-10
AISI: (ähnlich AISI316)

Einsatz als Gusswerkstoff bei Feingussfittings.

Werkstoff: 1.4435

Legierung: X5CrNiMo17-13- 3
AISI: AISI316L br>
Geschweißte Teile erhöhter Beständigkeit in der Zellstoff-, Zellwolle-, Textil- und Kunstseiden-Industrie.

Werkstoff: 1.4436

Legierung: X5CrNiMo17-13- 3
AISI: AISI316

Geschweißte und gegossene Teile erhöhter Beständigkeit in der Zellstoff-, Zellwolle-, Textil- und Kunstseiden-Industrie. Vorwiegender Einsatz als Gusswerkstoff bei Feingussfittings

Werkstoff: 1.4305

Legierung: X10CrNiS18-9
AISI: AISI303

Drehteile der Nahrungsmittel- und Molkerei-Industrie, Foto-, Farben-, Öl-, Seifen-, Papier- und Textilindustrie

Werkstoff: 1.4301

Legierung: X5CrNi18-10
AISI: AISI304

Apparate und Geräte der Nahrungsmittelindustrie (schweißbar, gut polierbar und besonders gut tief ziehbar, verschleißfest)

Werkstoff: 1.4021

Legierung: X20Cr13
AISI: AISI420

Konstruktionsteile höherer Festigkeit, wie Achsen Wellen, Pumpenteile, Kolbenstangen, Ventilkegel, Düsennadeln, Schiffsschrauben.